三端穩壓管好壞測量-三端穩壓管基本知識介紹及工作原理詳解-KIA MOS管
信息來源:本站 日期:2018-08-27
三端穩壓管是一種直到臨界反向擊穿電壓前都具有很高電阻的半導體器件。穩壓管在反向擊穿時,在一定的電流范圍內(或者說在一定功率損耗范圍內),端電壓幾乎不變,表現出穩壓特性,因而廣泛應用于穩壓電源與限幅電路之中。

三端穩壓管,主要有兩種,一種輸出電壓是固定的,稱為固定輸出三端穩壓管,另一種輸出電壓是可調的,稱為可調輸出三端穩壓管。
三端集成線性穩壓器的電路原理及應用,1.三端固定式集成穩壓器如果將前述的串聯型穩壓電源電路全部集成在一塊硅片上,加以封裝后引出三端引腳。
1.三端固定式集成穩壓器
如果將前述的串聯型穩壓電源電路全部集成在一塊硅片上,加以封裝后引出三端引腳,就成了三端集成穩壓電源了。
正電壓輸出的78××系列,負電壓輸出的79××系列。其中××表示固定電壓輸出的數值。如:7805、7806、7809、7812、7815、7818、7824等,指輸出電壓是+5V、+6V、+9V、+12V、+15V、+18V、+24V。79××系列也與之對應,只不過是負電壓輸出。這類穩壓器的最大輸出電流為1.5A,塑料封裝(TO-220)最大功耗為10W(加散熱器);金屬殼封裝(TO-3)外形,最大功耗為20W(加散熱器)。
2. 78系列三端集成穩壓器內部電路框圖

3. 三端集成穩壓器的典型應用
⑴固定輸出連接

在使用時必須注意:(VI)和(Vo)之間的關系,以W7805為例,該三端穩壓器的固定輸出電壓是5V,而輸入電壓至少大于8V,這樣輸入/輸出之間有3V的壓差。使調整管保證工作在放大區。但壓差取得大時,又會增加集成塊的功耗,所以,兩者應兼顧,即既保證在最大負載電流時調整管不進入飽和,又不致于功耗偏大。
⑵固定雙組輸出連接

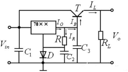
⑶擴大輸出電流連接
二極管D以低消T管VBE壓降而設置,擴大的輸出電流為: ,原輸出電流是Io,現可以近似擴大β倍。

7824是一個24V的三端穩壓集成電路,用萬用表只能大體測量一下它的好壞。7824外形和塑封三極管一樣,也有3個引腳,面向有字的一面,引腳朝下,其引腳從左至右分別是輸入端,接地端和穩壓輸出端??梢杂萌f用表電阻檔測量個引腳之間的電阻來判斷好壞,最好找個好的7824對比著測量??蓞⒖枷聢D檢測

如用萬用表Rx1 檔紅表筆接中間腳,黑表筆接其余兩腳,表針應該不動。如果表針偏轉,說明7824壞了。再將黑表筆接中間腳,紅表筆接其余兩腳,表針應偏轉表盤刻度的1/3或1/2,如果表針不偏轉或滿偏,都說明7824壞了。
三端穩壓管是一種直到臨界反向擊穿電壓前都具有很高電阻的半導體器件。穩壓管在反向擊穿時,在一定的電流范圍內(或者說在一定功率損耗范圍內),端電壓幾乎不變,表現出穩壓特性,因而廣泛應用于穩壓電源與限幅電路之中。三端穩壓系列集成電路檢測方法,可通電測三端穩壓的直流輸出電壓是否與標稱值相同,如輸出電壓過高或過低,說明三端穩壓塊損壞。
或者用萬用表測量各管腳之間電阻值來判斷其是否正常,即用R×lk擋測量7800系列各管腳之間電阻值,測量結果如下表所示。
檢測三端穩壓塊好壞的方法有兩種:
(1)通電時測三端穩壓塊的直流輸出電壓是否與標稱值相同,如輸出電壓過高或過低,說明三端穩壓塊損壞。(即輸入電壓、濾波電容、負載電阻正常。)
(2)用萬用表測量各管腳之間電阻值來判斷其是否正常,即用R×lk擋測量7800系列各管腳之間電阻值,測量結果如下表所示。
一般使用通電測量法。 比如測量供電端為5伏、輸出端為3.3伏、接地端其實還有1伏左右,但通過一個電阻接地。 反正你測量他有輸入,無輸出就是壞了。
怎樣用萬用表檢測三端穩壓器的好壞?
測量方法有兩種:
1、測量各引腳之間的電阻值
由于集成穩壓器的品牌及型號眾多,其電參數具有一定的離散性。通過測量集成穩壓器各引腳之間的電阻值,也只能估測出集成穩壓器是否損壞。若測得某兩腳之間的正、反向電阻值均很小或接近0Ω則可判斷該集成穩壓器內部已擊穿損壞。若測得鞭兩腳之間的正、反向電阻值均為無窮大,則說明該集成穩壓器已開路損壞。若測得集成穩壓器的阻值不穩定,隨溫度的變化而改變,則說明該集成穩壓器的熱穩定性能不良。
2、測量穩壓值
即使測量集成穩壓器的電阻值正常,也不能確定該穩壓器就是完好的,還應進一步測量其穩壓值是否正常。測量時,可在被集成穩壓器的電壓輸入端與接地端之間加上一個直流電壓(正極接輸入端)。 此電壓應比被測穩壓器的標稱輸出電壓高3V以上(例如,被測集成穩壓器是7806,加的直流電壓就為+9V),但不能超過其最大輸入電壓。 若測得集成穩壓器輸出端與接地端之間的電壓值輸出穩定,且在集成穩壓器標稱穩壓值的±5%范圍內,則說明該集成穩壓器性能良好。
聯系方式:鄒先生
聯系電話:0755-83888366-8022
手機:18123972950
QQ:2880195519
聯系地址:深圳市福田區車公廟天安數碼城天吉大廈CD座5C1
請搜微信公眾號:“KIA半導體”或掃一掃下圖“關注”官方微信公眾號
請“關注”官方微信公眾號:提供 MOS管 技術幫助